Více zdrojů tepla

Připojování dvou a více zdrojů tepla

Dvoubodové zapojení akumulační nádrže a regulace dvou zdrojů

   Vážený pane Valtere, kontaktuji Vás s prosbou o radu ve dvou tématech: zapojení akumulační nádrže a regulace dvou zdrojů. Před dotazem jsem se pokusil najít všechny dostupné informace na Vašich stránkách i mimo ně, ale pořád si nejsem úplně jistý. Budu moc rád, pokud rozeženete moje pochyby, předem moc děkuji. Vycházím zejména z těchto třech příspěvků:
https://jvalter.cz/akumulacni-nadrz-styl-zapojeni
https://jvalter.cz/hydraulicke-zapojeni-akumulacni-nadrze-bypass
https://forum.tzb-info.cz/120154-akumulacni-nadrz-dvoubodove-pripojeni-s-ohledem-na-bezpecnost
a z dokumentace Atmos https://www.atmos.eu/wp-content/uploads/2024/05/Sestavy-pro-kotle-varianty-zapojeni_1.-2.-2024.pdf
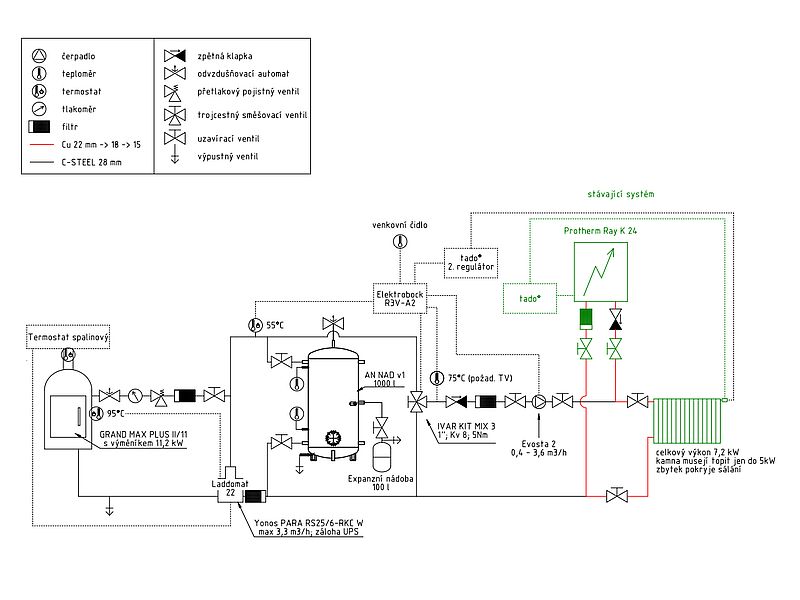
Obecné info: Jde o vytápění pro rodinný dům / chalupu s nepravidelným víceméně víkendovým provozem. V současnosti jsou v domě radiátory s chytrými hlavicemi a elektrokotel spínaný přes internet (systém tado°). Ve schématu je stávající topný systém zaznamenán barvami. Nyní budeme doplňovat systém o krbová kamna s výměníkem a akumulační nádrž. V poslední fázi se pak krbová kamna vymění za stavěná akumulační kamna s výměníkem a zapojí se i podlahové topení, ale to není předmětem mého dotazu, to je jen pro úplnost.
K problematice dvoubodového zapojení: Kvůli nárazovému provozu jsem chtěl, aby radiátory začaly hřát co nejrychleji. Důvod: Elektrokotlem si před příjezdem přitopíme raději jen v jedné místnosti – pokud bychom měli předehřívat celý dům, tak nás i nárazový provoz 4x za měsíc vyjde dost draho. Z toho, co jsem pochopil, je jasné, že pro tento případ je ideální dvoubodové zapojení.
Nejsem si však jistý, jak to správně udělat. Ve Vašem příspěvku (hydraulické-zapojeni-akumulační-nádrže-bypass) zmiňujete nějaké schéma zapojení, které ale není součástí příspěvku – píšete: "Pozor, pro správné nabíjení a vyplachování nádrže je důležité udělat zapojení přesně jak je nakresleno na schématu (ty kolena a T-kusy tam nejsou jen tak ;-)" Pak jsem narazil na fotografie od Atmosu a možná jsem pochopil, co tím myslíte. Je to toto? https://m.tzb-info.cz/docu/clanky/0114/011464o5.jpg - od kotle vede potrubí do AN, připojené kolenem, ale před kolenem je t-kus směřující dolů a připojená odbočka do spotřebičů. Symetricky je to i na vratce. I ze schémat od Atmosu např. na straně 31 (schéma 13) je to takto čitelné (jen tam není ta zavírací odbočka do středu nádrže). Při tom hledání jsem ale narazil i na jiná zapojení, např zde: https://www.stavebnictvi3000.cz/images/resized/2012/1024x800-fit/11_atmos_1.jpg Tam je to řešené o trošku jednodušší cestou, bez kolena, t-kusem se odbočuje do AN. Zajímalo mě, jestli jsou obě tato připojení přípustná a funkční. Pro mě by bylo jednodušší jet potrubím ve stejné výšce, ve které se připojuje výměník (což je pro obě větve někde uprostřed výšky AN) a v ose nátrubků pak odbočit T-kusem
-pro TV nahoru a kolenem do AN
-pro ZV dolů a kolenem do AN
...viz nákres rukou.
   Ve druhém příspěvku (akumulační-nádrž-styl-zapojeni) zase zmiňujete několik podmínek:
 1. Dynamický tlak kotlového čerpadla je větší než čerpadel spotřebičů, aby nedocházelo přisávání chladnější vody z nádrže.
 2. Odborně udělané zapojení (u kotlového čerpadla je zpětná klapka a odpor okruhu akumulační nádrže je podstatně menší než u kotlového okruhu).
 3. Tlakové a průtokové vyvážení.
   Dokážete z mého schématu vyčíst, jestli je možné, aby tyto podmínky byly splněny, prosím?
   Potrubí i čerpadla jsou popsána. Od kamen k AN je trasa dlouhá cca 2,5m. Od AN k připojení do stávajícího otopného okruhu je to podstatně delší cesta, cca 6 m. V plánu je připojit vše 28 mm / G1" a redukcí se napojit na topný okruh, který začíná u elektrokotle průměrem 22 mm a klesá na 18 mm. Bylo by lepší, pokud bych za AN už vedl 22 mm / G3/4"? V diskuzi na tzb jsem se dočetl, že se to někdy řeší škrcením průtoku pomocí ventilů, ale já bych byl radši, kdyby to bylo co nejjednodušší, bez elektricky řízených komponent.
   Pak mám ještě dva doplňující dotazy:
 1) Kam se má umístit zmiňovaná zpětná klapka? Na fotografiích od Atmosu klapku nikde nevidím. Laddomat má automatický ventil, který se v jistých případech otvírá a začne běžet samotíž.
 2) Kam je nejlepší umístit expanzní nádobu, může být připojená takto k AN nebo bude lepší dát ji na vratku před Laddomat?
K problematice regulace: Přemýšlím, jak to udělat co nejjednodušším způsobem, abych nemusel měnit již stávající regulaci tado°, se kterou jsem velice spokojený.
   Vím, že se v tado° vyznáte, ale napíšu to pro ostatní trochu obšírně. Tak tedy: tado° zapíná a reguluje elektrokotel pomocí opentherm protokolu a zároveň reguluje teplotu v místnostech škrcením nebo otevíráním ventilů na radiátorech. Každá místnost může být přiřazena k jednomu regulátoru nebo může být nastavena jako nezávislá (např. v systémech ústředního topení), takže s požadavkem tepla jen otevře ventil, ale nezapíná žádný zdroj. V mém případě požadavek tepla v místnosti otevře ventil a zapne elektrokotel, pokud již neběží. Teď přidáváme druhý zdroj...a nechceme, aby běžely oba současně. Nejprve mě napadl nejhloupější způsob: pořídit ještě jeden tado° regulátor, nastavit ho jako relé on/off a zároveň se zatopením v kamnech ručně všechny místnosti přehodit v aplikaci na toto relé. Otázka 1 minuty.
   Relé by pak místo kotle spouštělo oběhové čerpadlo okruhu AN.
   Protože tado° neumí pracovat s třícestnými ventily, tak k regulaci teploty TV bych použil ekvitermní Elektrobock R3V-A2. Elektrobock R3V-A2 by sepnul čerpadlo po splnění dvou podmínek:
   - na odbočce do AN teplota min 50 °C (teoretický návrh)
   - tado° chce topit
   Pokud Vás napadá něco chytřejšího, kde nebudu muset v appce přehazovat místnosti, tak budu nadšený. Budu se těšit na odpověď. A moc děkuji za veškerou pomoc, kterou prostřednictvím Vašeho webu poskytujete. S přáním krásného víkendu, Marek, okr. Mělník

Kotel Baxi Duo – Tec Compact E 24 + prostorový bezdrátový přístroj Baxi s programem

   Dobrý den, mám výše uvedenou sestavu, která vytápí velmi starý rodinný dům. Pokud se nově začíná topit, tak kotel jede na maximální nastavenou teplotu topné vody a po dosažení nastavené prostorové teploty se kotel vypne. Poté však v udržovacím režimu kotel už netopí na plnou nastavenou teplotu topné vody a jaksi se "šmrdlá" okolo nastavené prostorové teploty tak, že dohřívá topnou vodu třeba pouze na 40 st. Je to zřejmě "správně", ale dům, který je vytápěn, není úplně nejmodernější (částečně kamenné stěny atd.) a tak kotel běží takřka nonstop až třeba do nočního útlumu. Tedy netopí stále (nejde hořák), ale prakticky stále běží čerpadlo a ventilátor. Chtěl bych nastavit kotel tak, aby fungoval méně inteligentně a prostě když má topit, tak ať topí na nastavenou teplotu topné vody v nastaveném rozsahu okolo prostorové teploty na termostatu/prostorovém přístroji. Je možné toho nějak dosáhnout nastavením? Daný bezdrátový přístroj je spíše dálkovým ovládáním a je předřazen kotli. Děkuji moc za názor.

Čerpadlo C3 Grundfos Alpha 2 propojené ze studny do akumulační nádrže hlásí chybovou hlášku E3

   Dobrý den pane Valtere, narazil jsem na tyto fantastické stránky a upřímně, první, co mi napadlo je, že bych si u vás v budoucnu rád objednal návrh na aktualizaci našeho systému topení a měření a regulace.
   Co mě pálí v tuto chvíli nejvíce je, že nám čerpadlo Grundfos Alpha 2 32-60 hlásí chybu E3 a já se bojím, jestli můžu nechat běžet tepelné čerpadlo dál. Máme podzemní vrty, akumulační nádrž a tepelné čerpadlo, vytápíme v domě podlahovým topením a zároveň radiátory. K tomu máme solární panely a taky fancoil. Celý systém si navrhoval původní pan majitel sám. Kdyby to šlo, poslal bych vám zákres systému. Děkuji předem a moc vám fandím!

Vytápění plyn + krbová kamna

   Dobrý den, mohl bych poprosit o radu ohledně vytápění. Rekonstruuji chalupu, vytápění plánuji plyn a krbová kamna s výměníkem, rád bych i akumulační nádrž (500l) a samostatný bojler s možností připojení solárních panelů pouze pro ohřev vody a případně termiky. Je tato kombinace vůbec možná, případně co byste doporučoval? Je možné v budoucnu nahradit plynový kotel (cena plynu) za tepelné čerpadlo bez výrazných zásahů do propojení? Děkuji.

Zapojeni TČ, kondenzačního kotle, akumulační nádrže a TUV -2-

   Dobrý den, momentálně jsem již poslední krok před realizací (ano až teď). Schéma dospělo do stavu, viz. příloha. Pár podstatných faktorů:
 * poloha C1 nevyžaduje použití zpětné klapky u C2.
 * přetlakové ventily bych předpokládal vždy v místech, kde může docházet k přetlaku (při selhání regulace čerpadla na konstantní tlak), proto se mi zdá zbytečné u expanzky.
 * nevím proč jsme tam kdysi uvažovali vyvažovací ventil. Dokázal byste mi to osvětlit?
 * oranžové kulové ventily uvažuji vypustit (nebude se to rozdělávat zas tak často, pouze na vratce a kolem malé AKU mi připadá důležitý).
 * T1 musí být dle schématu, z důvodu odmrazování TČ nechcete krást teplo z radiátorů, a i ohřívání TUV, kdy nechcete nahřívat na vyšší teplotu celou AKU (a TC si ventil umí takto i samo ovládat).
Za jakoukoliv zpětnou vazbu budu rád. Po realizaci poskytnu info o provozu.

Nedostatek vzduchu plynový kotel

   Dobrý den, už jednou jsem vás prosil o radu a pomohl jste mi, proto se na vás obracím s jedním dotazem a třeba mi pomůžete zase.
   Na mém kotli Baxi Ecofour 24f se občas objeví chyba e03 chyba manostatu a nesepne hořák. Ventilátor funguje dobře a už jsem dal i nový manostat, vše vyčištěné včetně ventilátoru i odkouření. Hořák znovu sepne a chyba zmizí, když povolím víčko vedle výstupu kouřovodu a tím tam pustím více vzduchu. (víčko zase hned dotáhnu) Tato chyba se projevuje hlavně v případě, když třeba pul dne kotel netopí a topím v kamnech. Jakmile chybu odstraním a kotel sepne, chyba už se neobjeví. Když to tedy shrnu, kotel, když dlouho netopí nesepne hořák, pustím více vzduchu a pak už bez problému funguje. Předem děkuji za jakoukoliv radu.

Automatický výběr teplejšího zdroje otopné vody

   Dobrý den, topím plynovým kondenzačním kotlem se třemi samostatnými topnými okruhy. Zapojení je velmi jednoduché, kotel, anuloid a za ním tři směšované okruhy, kde ke každému okruhu patří jeden prostorový regulátor, který topí po samostatné ekvitermní křivce s kompenzací prostorové teploty. A kotel topí na teplotu nejteplejšího okruhu. Vše je provedeno od firmy Bosch. Toto zapojení jsem zvolil ze dvou důvodů, že v rodinném domě mám tři prostory, které mají různé teplotní charakteristiky a také se různě využívají, což mi umožňuje topit na co nejmenší teplotu otopné vody, která je v daném okamžiku možná a tím dosáhnout co nejvyšší kondenzace. Druhým důvodem je to, že jsem chtěl topení připravit na budoucí instalaci tepelného čerpadla, s tím že bych kondenzační kotel použil jako bivalentní zdroj, a přitom bych nemusel již významně zasahovat do stávajícího zapojení. Myšlenka je taková, že se rozpojí zpětná větev mezi směšovači a anuloidem, kam se vloží taktovací nádoba od tepelného čerpadla v kotli se rozpojí blokovací smyčka, která zapojí do tepelného čerpadla a tím se bude spouštět bivalence. Jak jde čas, tak v současnosti dříve, než o tepelném čerpadle uvažuji o krbových kamnech s výměníkem, které bych také zapojil do zpětné smyčky, patrně zase přes nějakou akumulační nádrž. Protože ale není jisté jak a kdy se v kamnech bude topit, tak bych rád zařídil, aby se nádrž připojovala automaticky jenom v okamžiku, kdy je teplota vyšší než teplota vratné vody, jinak aby vratná voda tekla tak jako dnes a akumulační nádrž se vynechala. Ač hledám, jak hledám, tak ale nemohu nikde najít žádný přepínací prvek, trojcestný ventil, který by porovnával teplotu dvou zdrojů a vybíral ten teplejší a tím se zajistilo automatické přepínání. Jsou k dispozici prvky, které to umí na fixní nastavenou teplotu, ale to není tento případ? Mohl byste prosím poradit, zda takové prvky existují a jaké mají označení?

Stránky